Домкрат с низким подхватом MH
50203 руб.
В санкциях. Доступны аналоги
Внимание! На сайте указана цена модели МН 50 грузоподъемностью 5000 кг
Стоимость домкратов с другой грузоподъемностью можно узнать у наших менеджеров.
Для подъема тяжелого оборудования и других грузов.
Особенности:
• Может использоваться в любом положении.
• Подъем с помощью ручного насоса.
• Точное опускание посредством клапана спуска.
• С ручкой для модели MH 50 и MH 100.
• Колесики для перевозки у модели MH 250.
• Клапан контроля давления для более длительного срока службы домкрата
• Поворотный коготь (модели MH 50 и MH 100)
• Большая площать пластины для высокой стабильности.
• Устойчивая конструкция с хромированным покрытием штока поршня.
Параметры моделей:
| Модель | Арт. № изделия | Грузоподъемность, кг | Ход штока, мм | Высота подхвата клыка, мм | Высота при подъема на корпусе, мм | Вес, кг |
| МН 50 | 40014771 | 5000 | 205 | 25 | 368 | 25 |
| МН 100 | 40014772 | 10000 | 230 | 25 | 420 | 35 |
| МН 250 | 40014773 | 25000 | 215 | 58 | 505 | 109 |
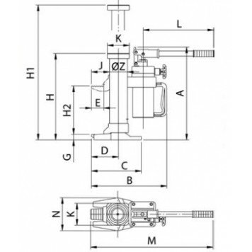
Размеры домкратов:
| Тип | MH-50 | MH-100 | MH-250 |
| А, мм | 393 | 449 | - |
| B, мм | 320 | 325 | 459 |
| C, мм | 213 | 205 | 420 |
| D, мм | 115 | 120 | 220 |
| E, мм | 53 | 55 | 90 |
| G, мм | 25 | 30 | 58 |
| H, мм | 368 | 420 | 505 |
| H1, мм | 573 | 650 | 720 |
| H2, мм | 205 | 230 | 215 |
| J, мм | 77 | 74,5 | 142,5 |
| K, мм | 93 | 108 | 175 |
| L, мм | 520 | 520 | 920/840 |
| M, мм | 740 | 745 | 1305/1225 |
| N, мм | 140 | 170 | 210/283 |
| Ø Z, мм | 76 | 91 | 155 |
